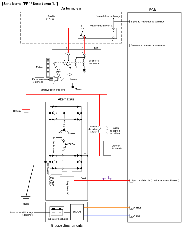
| Schéma du circuit |


Description et fonctionnement
Procédures de réparationManuel du proprietaire Kia Cee'd: Poids de la remorque
Quel est le poids de sécurité maximum
d'une remorque ? Son poids ne doit
jamais dépasser le poids de remorque
maximal avec freins. Mais même ce
poids peut être excessif.
Cela dépend de l’usage que vous faites
de votre remorque. Par exemple, la
vitesse, l’altitude, les types ...
Manuel du proprietaire Kia Cee'd: Pourquoi mon airbag ne s’est-il pas
déclenché lors d’une collision ?
(conditions de déclenchement et
de non-déclenchement de l’airbag)
Plusieurs types d’accidents ne
nécessiteraient pas le déclenchement
de l’airbag qui n’assurerait aucune
protection supplémentaire.
Il s’agit notamment des chocs par
l’arrière, d’un deuxième ou troisième
choc dans des accidents à plusieurs
impacts ou des chocs à vites ...