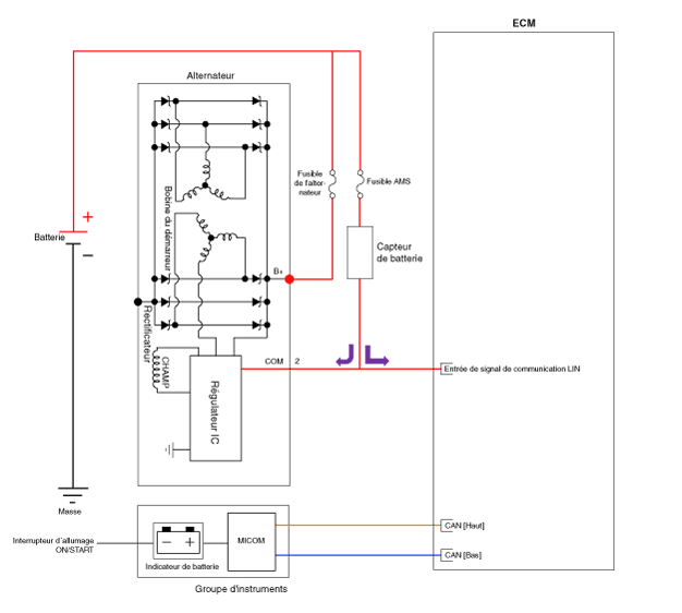
| Schéma du circuit |

|
Alternateur / Composants et emplacement des composants
Alternateur / Procédures de réparationManuel du proprietaire Kia Cee'd: Système d'aide au stationnement
■ Avant
■ Arrière (3 portes)
■ Arrière (5 portes)
■ Arrière (Remorque)
Le système d’aide au stationnement émet un signal sonore ou affiche
l'environnement
du véhicule lorsqu'un obstacle est détecté sur le combiné d'instruments, sur une
distance de 100 cm (39,4 po ...
Manuel du proprietaire Kia Cee'd: Fonction d'information
sur les limitations de vitesse (SLIF)
Le système affiche les informations sur
les limitations de vitesse et de
dépassement sur le combiné
d'instruments et l'écran de navigation. Le
système SLIF détecte les panneaux de
signalisation par le biais d'une caméra
fixée derrière la partie supérieure du
pare-brise.
El ...