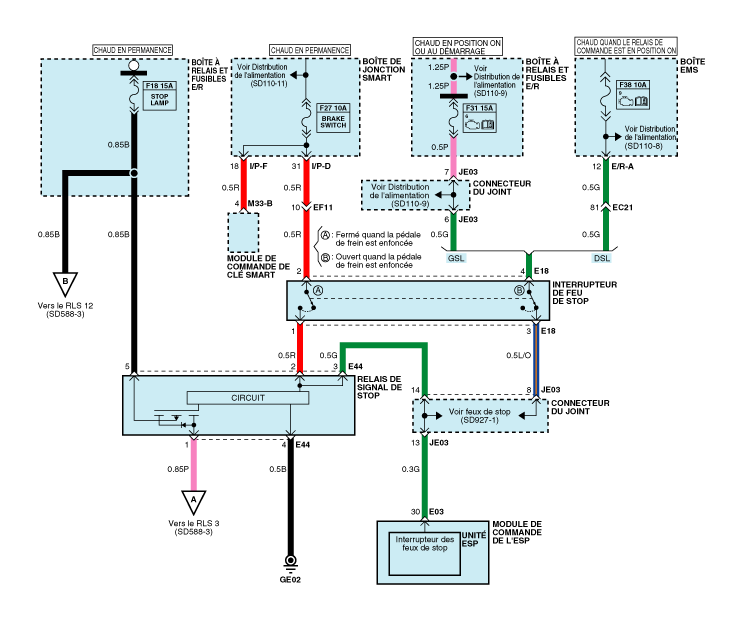
| Diagramme de circuit - ESP(1) |

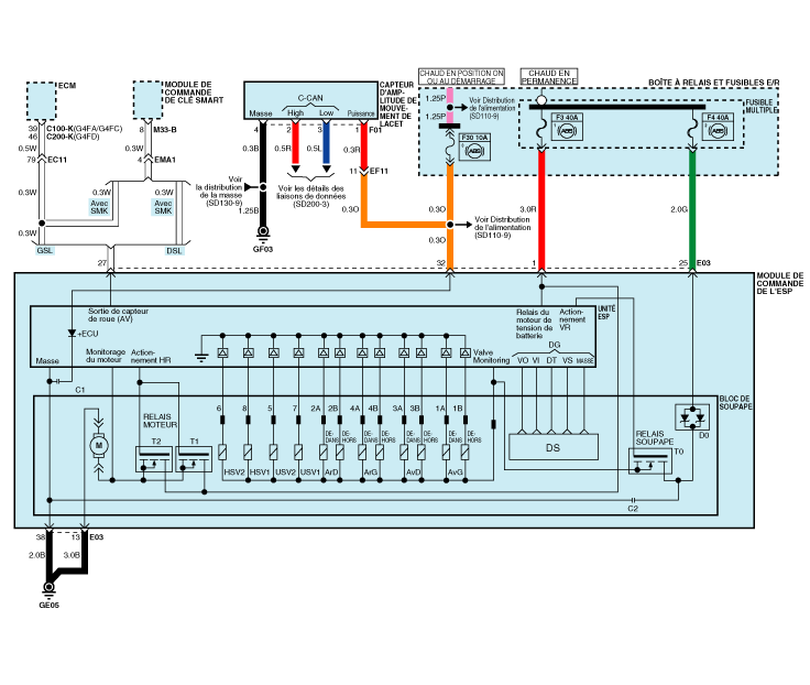
| Diagramme de circuit - ESP(2) |

| Diagramme de circuit - ESP (3) |

| Diagramme de circuit - ESP (4) |

| Entrée/sortie du connecteur ESP |

|
N° de câble |
Désignation |
Courant |
Résistance du câble autorisée max. R_L (mΩ) |
|
|
MAX |
MIN |
|||
|
13 |
Masse pour la pompe de recirculation |
39 A |
10 A |
- |
|
38 |
Masse pour les électrovannes et ECU |
15 A |
2 A |
- |
|
1 |
Alimentation de tension pour le moteur de la pompe |
39 A |
10 A |
- |
|
25 |
Alimentation de tension pour les électrovannes |
15 A |
2 A |
- |
|
32 |
Tension pour ECU hybride |
1 A |
500 mA |
60 |
|
22,6,20,31 |
Signal du capteur de vitesse de roue AV.G, AV.D, AR.G, AR.D |
16,8 mA |
5,9 mA |
250 |
|
34,18,33,19 |
Alimentation de tension pour le capteur de vitesse de roue AV.G, AV.D, AR.G,
AR.D |
16,8 mA |
5,9 mA |
250 |
|
30 |
Signal de l’interrupteur des feux de stop |
10 mA |
5 mA |
250 |
|
14 |
CAN Bas |
30 mA |
20 mA |
250 |
|
26 |
CAN Haut |
30 mA |
20 mA |
250 |
|
27 |
Sortie du capteur de vitesse de roue |
Ouverture vidange |
- |
- |
|
8 |
Interrupteur passif ESP (signal) |
10 mA |
5 mA |
250 |
|
4 |
Signal de sortie ESS |
200 mA |
100 mA |
150 |
|
16 |
Entrée du signal de l'actionneur du voyant de frein |
200 mA |
100 mA |
150 |
|
10 |
Signal du contacteur de frein de stationnement |
10 mA |
5 mA |
250 |
|
23 |
Interrupteur d'embrayage |
10 mA |
5 mA |
250 |
Description et fonctionnement
Recherche de pannesRevue Technique Kia Cee'd: Unité de clef smart / Composants et emplacement des composants
composant
INFORMATIONS SUR LE CONNECTEUR DE LA BROCHE
N°
Connecteur A (26 fiches)
N°
Connecteur B (16 fiches)
N°
Connecteur C (22 fiches)
1
Charge de puissance de la batte ...
Manuel du proprietaire Kia Cee'd: 3. Recherche d'une place de
stationnement (le cas échéant)
Avancez lentement en maintenant une
distance d'environ 50 à 150 cm (19,6 à
59,0 pouces) entre votre véhicule et
les véhicules stationnés. Les capteurs
latéraux recherchent une place de
stationnement.
Si la vitesse du véhicule dépasse 20
km/h (12,4 miles/h), un messag ...