| Schéma du circuit |

| SPÉCIFICATION ENTRÉE-SORTIE |
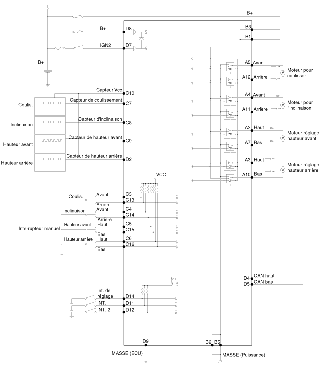
| Disposition des broches du connecteur |

|
NON |
Nom du signal |
I-O |
SOMMAIRE |
REMARQUE |
|
A1 |
- |
- |
- |
|
|
A2 |
MOTEUR DE HAUTEUR AVANT HAUT |
Joint torique |
Sortie du moteur de réglage en hauteur avant vers le haut |
|
|
A3 |
MOTEUR DE HAUTEUR ARRIÈRE HAUT |
Joint torique |
Sortie moteur réglage hauteur arrière vers le haut |
|
|
A4 |
Moteur pour l'inclinaison avant |
Joint torique |
Sortie moteur pour l'inclinaison avant |
|
|
A5 |
Moteur de glissière avant |
Joint torique |
Sortie moteur de glissière avant |
|
|
A6 |
- |
- |
- |
|
|
A7 |
MOTEUR HAUTEUR AVANT BAS |
Joint torique |
Sortie moteur réglage hauteur avant vers le bas |
|
|
A8 |
- |
- |
- |
|
|
A9 |
- |
- |
- |
|
|
A10 |
MOTEUR DE HAUTEUR ARRIÈRE BAS |
Joint torique |
Sortie moteur réglage hauteur arrière vers le bas |
|
|
A11 |
Moteur pour l'inclinaison arrière |
Joint torique |
Sortie moteur pour l'inclinaison arrière |
|
|
A12 |
Moteur de glissière arrière |
Joint torique |
Sortie moteur de glissière arrière |
|
|
B1 |
B+ (Alimentation) |
I |
Alimentation B+ pour le moteur de commande |
|
|
B2 |
MASSE (PUISSANCE) |
I |
MASSE d'alimentation pour le moteur de commande |
|
|
B3 |
B+ (Alimentation) |
I |
Alimentation B+ pour le moteur de commande |
|
|
B4 |
MASSE (puissance) |
I |
MASSE d'alimentation pour le moteur de commande |
|
|
B5 |
B+ (Alimentation) |
I |
Alimentation B+ pour le moteur de commande |
|
|
C1 |
- |
- |
- |
|
|
C2 |
- |
- |
- |
|
|
C3 |
Interrupteur manuel avant de la glissière |
I |
Entrée interrupteur manuel avant de la glissière |
ON = MASSE |
|
C4 |
Interrupteur manuel avant d'inclinaison |
I |
Entrée interrupteur manuel avant d'inclinaison |
ON = MASSE |
|
C5 |
Interrupteur manuel de montée de la hauteur avant |
I |
Entrée interrupteur manuel de montée de la hauteur avant |
ON = MASSE |
|
C6 |
Interrupteur manuel de montée de la hauteur arrière |
I |
Entrée interrupteur manuel de montée de la hauteur arrière |
ON = MASSE |
|
C7 |
Capteur du moteur pour coulisser |
I |
Entrée du capteur du moteur pour coulisser |
Signal d'impulsion |
|
C8 |
Capteur moteur réglage hauteur avant |
I |
Capteur moteur entrée réglage hauteur avant |
Signal d'impulsion |
|
C9 |
Capteur moteur réglage hauteur avant |
I |
Entrée capteur moteur entrée réglage hauteur avant |
Signal d'impulsion |
|
C10 |
Vcc du capteur (siège) |
Joint torique |
VCC pour le capteur de commande |
5V |
|
C11 |
- |
- |
- |
|
|
C12 |
- |
- |
- |
|
|
C13 |
Interrupteur manuel arrière de la glissière |
I |
Entrée interrupteur manuel arrière de la glissière |
ON = MASSE |
|
C14 |
Interrupteur manuel arrière de la glissière |
I |
Entrée interrupteur manuel arrière de la glissière |
ON = MASSE |
|
C15 |
Interrupteur manuel de descente de la hauteur avant |
I |
Entrée interrupteur manuel de descente de la hauteur avant |
ON = MASSE |
|
C16 |
Interrupteur manuel de descente de la hauteur arrière |
I |
Entrée interrupteur manuel de descente de la hauteur arrière |
ON = MASSE |
|
C17 |
- |
- |
- |
|
|
C18 |
- |
- |
- |
|
|
C19 |
- |
- |
- |
|
|
C20 |
- |
- |
- |
|
|
D1 |
- |
- |
- |
|
|
D2 |
Capteur hauteur arrière |
I |
Capteur moteur réglage hauteur arrière |
Signal d'impulsion |
|
D3 |
- |
- |
- |
|
|
D4 |
CAN Haut |
I-O |
CAN |
|
|
D5 |
CAN Bas |
I-O |
CAN |
|
|
D6 |
- |
- |
- |
|
|
D7 |
ALL1 |
I |
Entrée ALL1 |
BAT |
|
D8 |
B+ (ECU) |
I |
Entrée de l'alimentation de ECU |
BAT |
|
D9 |
MASSE (ECU) |
I |
MASSE ECU |
|
|
D10 |
- |
- |
- |
|
|
D11 |
Commutateur 1 |
I |
Entrée interrupteur |
|
|
D12 |
Commutateur 2 |
I |
Entrée interrupteur |
|
|
D13 |
- |
- |
- |
|
|
D14 |
Interrupteur de réglage |
I |
Entrée interrupteur |
|
|
D15 |
- |
- |
|
|
|
D16 |
- |
- |
|
|
| Système de communication |

Composants et emplacement des composants
Description et fonctionnementManuel du proprietaire Kia Cee'd: Conduite avec une remorque
La traction d’une remorque nécessite
une certaine expérience. Avant de
prendre la route, vous devez faire
connaissance avec votre remorque.
Habituez-vous à manoeuvrer et à freiner
avec le poids supplémentaire de la
remorque. Gardez toujours à l’esprit que
le véhicule que vou ...
Revue Technique Kia Cee'd: Recherche de pannes
GUIDE AU DÉPISTAGE DES PANNES
Avant de penser que le produit est défectueux
1.
Les erreurs se produisant lors du fonctionnement ou de l'installation
du dispositif peuvent être confondues avec un dysfonctionnement du dispositif.
2. ...