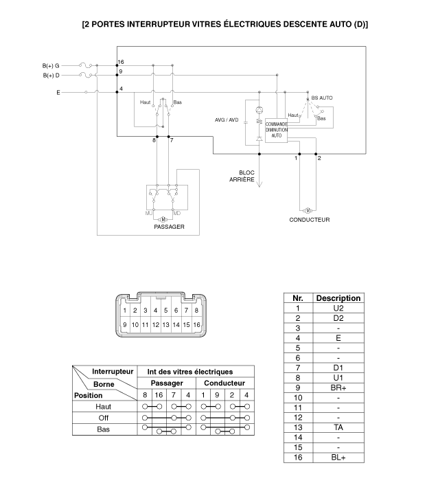
| Schéma du circuit |
| Interrupteur lève-vitre conducteur |








| Interrupteur de vitre électrique passager et arrière |


Moteur des vitres électriques / Procédures de réparation
Interrupteur des vitres électriques / Procédures de réparationRevue Technique Kia Cee'd: Composants et emplacement des composants
Composants (1)
[5PORTES]
1. Appui-tête du siège avant
2. Guide de l'appui-tête du siège avant
3. Revêtement du dossier du siège avant
4. Chauffage du dossier du siège avant
5. Rembourrage du dossier de siège avant
6. Cadre ...
Manuel du proprietaire Kia Cee'd: Pourquoi mon airbag ne s’est-il pas
déclenché lors d’une collision ?
(conditions de déclenchement et
de non-déclenchement de l’airbag)
Plusieurs types d’accidents ne
nécessiteraient pas le déclenchement
de l’airbag qui n’assurerait aucune
protection supplémentaire.
Il s’agit notamment des chocs par
l’arrière, d’un deuxième ou troisième
choc dans des accidents à plusieurs
impacts ou des chocs à vites ...