
|
Phénomène |
EXPLICATION |
||||||
|
Avertissement sonore de contrôle système |
Au démarrage du moteur,il se peut qu'un bruit sourd se fasse parfois entendre
de l'intérieur du compartiment moteur. C'est parce que le fonctionnement du système contrôle accompli |
||||||
|
Bruit de fonctionnement ABS |
|
||||||
|
Fonctionnement ABS (distance de freinage importante) |
Sur les routes enneigées ou recouvertes de gravier, la distance de freinage
du véhicule équipés ABS peut être parfois plus longue que pour d'autres
véhicules. En conséquence, avertir le client de conduire prudemment en réduisant
la vitesse du véhicule sur de telles chaussées. |
||||||
|
Les conditions de diagnostic peuvent varier en fonction du DTC. Le code de diagnostic a été effacé, asurez-vous que les conditions soient conformes aux exigences énumérées dans "Commentaires". |
|||||||

|
Symptôme |
Zone suspecte |
||||||||
|
L’ABS ne fonctionne pas. |
Seulement si 1.~4. sont tous normaux et que le problème est encore présent,
remplacez la HECU.
|
||||||||
|
L'ABS ne fonctionne pas par intermittence. |
Seulement si 1.~4. sont tous normaux et le problème est toujours présent,
remplacez l’ensemble de l’actionneur de l’ABS.
|
||||||||
|
Communication avec GDS nést pas possible. (La communication avec tout système est pas possible) |
|
||||||||
|
Communication avec GDS nést pas possible. (La communication avec ABS seulement est pas possible) |
|
||||||||
|
Quand la clé d'allumage est ON (Moteur OFF), Le témoin de l'ABS ne s'allume pas |
|
||||||||
|
Même après le démarrage du moteur, l'ABS témoin d'avertissement de l'ABS reste sur ON |
|
Lors du fonctionnement de l'ABS, la pédale de frein peut se mettre à
vibrer ou bien peut être impossible à enfoncer. De tels phénomènes sont
dus à des modifications intermittentes de la pression hydraulique à
l'intérieur de la canalisation de frein permettant d'éviter le blocage
des roues et ne sont pas anormaux.
|

|
Symptômes d'anomalie |
Cause possible |
||||||||
|
Le fonctionnement des freins varie selon les conditions de conduite et de
la surface de la route. Le diagnostic peut donc être difficile. Cependant,
si un DTC normal est affiché, contrôler la cause probable suivante. Lorsque
le problème est encore présent, remplacer le module de commande ABS. |
|
| 1. |
Branchez le GDS à la prise diagnostic et mettez le contacteur d'allumage
sur ON.
|
| 2. |
Vérifiez que le code DTC est sorti.
Le code DTC est-il sorti ?
|
|
|
▶ Contrôlez le circuit de la source d'alimentation. |
|
|
▶ Effacez le DTC et vérifiez de nouveau à l'aide de GDS. |
| 1. |
Débranchez le connecteur du module de commande ABS.
|
| 2. |
Tournez le commutateur d’allumage sur ON, mesurez la tension entre la
borne 32 du connecteur du côté du faisceau de câblage du module de commande
ABS et la masse de la carrosserie.
La tension se conforme-t-elle à la norme?
|
|
|
▶ Contrôlez le circuit de la masse. |
|
|
▶ Vérifier le faisceau de câblage ou le connecteur entre le fusible (10
A) dans le bloc de raccordement du compartiment moteur et le module de commande
ABS. Réparer au besoin. |

| 1. |
Débranchez le connecteur du module de commande ABS.
|
| 2. |
Vérifiez la continuité entre les bornes 13 et 38 du connecteur côté
faisceau du module de commande ABS et du point de masse.
Y-a-t-il une continuité?
|
|
|
▶ Contrôlez le circuit du capteur de vitesse de roue. |
|
|
▶ Réparez un circuit ouvert au niveau du câblage et du point de la masse.
|

| 1. |
Contrôlez le circuit du capteur de vitesse de roue. (Voir les procédures
de dépistage des anomalies du DTC.)
Est-ce normal?
|
|
|
▶ Contrôlez que le circuit hydraulique ne fuite pas. |
|
|
▶ Réparez ou remplacez le capteur de vitesse de roue. |
| 1. |
Contrôlez les fuites au niveau des conduites hydrauliques.
Est-ce normal?
|
|
|
▶ Le problème est encore présent, remplacez le module de commande ABS.
|
|
|
▶ Réparez les fuites au niveau des conduites hydrauliques. |

|
Symptômes d'anomalie |
Cause possible |
||||||||
|
Le fonctionnement des freins varie selon les conditions de conduite et de
la surface de la route. Le diagnostic peut donc être difficile. Cependant,
si un DTC normal est affiché, contrôler la cause probable suivante. Lorsque
le problème est encore présent, remplacer le module de commande ABS. |
|
| 1. |
Branchez le GDS à la prise diagnostic et mettez le contacteur d'allumage
sur ON.
|
| 2. |
Vérifiez que le code DTC est sorti.
Le code DTC est-il sorti ?
|
|
|
▶ Contrôlez le circuit du capteur de vitesse de roue. |
|
|
▶ Effacez le DTC et vérifiez de nouveau à l'aide de GDS. |
| 1. |
Voir les procédures de dépistage des anomalies du DTC.
Est-ce normal?
|
|
|
▶ Contrôlez le circuit de l'interrupteur des feux de stop. |
|
|
▶ Réparez ou remplacez le capteur de vitesse de roue. |
| 1. |
Contrôlez les fuites au niveau des conduites hydrauliques.
Est-ce normal?
|
|
|
▶ Le problème est encore présent, remplacez le module de commande ABS.
|
|
|
▶ Réparez les fuites au niveau des conduites hydrauliques. |

|
Symptômes d'anomalie |
Cause possible |
||||||
|
Panne probable du système d'alimentation (y compris la masse) de la ligne
de diagnostic. |
|
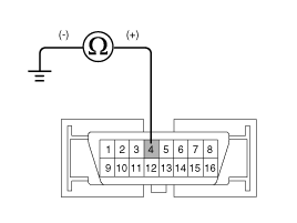
| 1. |
Mesurez la tension entre la borne 16 du connecteur de liaison de données
et la masse de la carrosserie.
À la tension est-elle dans la norme?
|
|
|
▶ Contrôlez le circuit de la masse de diagnostic. |
|
|
▶ Réparez le circuit ouvert au niveau du câblage. Contrôlez et remplacez
le fusible (15 A) du bloc de jonction du compartiment moteur. |

| 1. |
Vérifiez la continuité entre la borne 4 du connecteur de liaison de
données et la masse de la carrosserie.
Y-a-t-il une continuité?
|
|
|
▶ Réparez un circuit ouvert au niveau du câblage entre la borne 4 du connecteur
de liaison de données et le point de mise à la masse. |


|
Symptômes d'anomalie |
Cause possible |
||||||
|
Quand la communication avec GDS n'est pas possible, la cause pourrait être
un circuit ouvert au niveau du circuit de puissance de l'HECU ou un circuit
ouvert au niveau du circuit de sortie du diagnostic. |
|
| 1. |
Débranchez le connecteur du module de commande ABS.
|
| 2. |
Vérifiez la continuité entre les bornes 26, 14 du connecteur du module
de commande ABS et les bornes 6, 14 du connecteur de liaison de données.
Y-a-t-il une continuité?
|
|
|
▶ Contrôlez la source d'alimentation du module de commande ABS. |
|
|
▶ Réparez le circuit ouvert au niveau du câblage. |
| 1. |
Débranchez le connecteur du module de commande ABS.
|
| 2. |
Tournez le commutateur d’allumage sur ON, mesurez la tension entre la
borne 32 du connecteur du côté du faisceau de câblage du module de commande
ABS et la masse de la carrosserie.
À la tension est-elle dans la norme?
|
|
|
▶ Contrôlez que la masse n'est pas mauvaise. |
|
|
▶ Vérifiez le faisceau de câblage ou le connecteur entre le fusible (10
A) dans le bloc de jonction du compartiment moteur et le module de commande
ABS. Réparez si besoin. |

| 1. |
Vérifiez la continuité entre la borne 4 du connecteur de liaison de
données et le point de mise à la masse.
|

|
Symptômes d'anomalie |
Cause possible |
||||||||
|
Quand l'HECU est alimenté, le témoin d'ABS passe de ON sur OFF lors du contrôle initial. Ainsi, si le témoin ne s'allume pas, cela peut être dû à un circuit ouvert dans le circuit d'alimentation du témoin, à une ampoule grillée, une ouverture dans les deux circuits entre le témoin d'avertissement ABS et le HECU et l'HECU défectueux |
|
| 1. |
Débranchez le connecteur du module de commande ABS et mettez l'interrupteur
d'allumage sur ON.
|
| 2. |
Le témoin d'avertissement ABS s'allume-t-il?
|
| 1. |
Déconnectez le connecteur (M01) du groupe d'instruments et activez le
contacteur d'allumage.
|
| 2. |
Mesurez la tension entre la borne (M01) 39 du connecteur côté faisceau
du train et la masse de la carrosserie.
À la tension est-elle dans la norme?
|
|
|
▶ Contrôlez la résistance du circuit CAN du témoin d’avertissement de l'ABS.
|
|
|
▶ Contrôlez le fusible grillé. |
| 1. |
Déconnectez le connecteur (M01) du groupe d'instruments et désactivez
le contacteur d'allumage.
|
| 2. |
Mesurez la résistance entre la borne (M01) 23 et 24 du connecteur côté
faisceau du groupe d'instruments.
|
|
|
▶ Réparez l'ampoule du témoin d'avertissement de l'ABS ou l'ensemble du
groupe d'instruments. |
|
|
▶ Contrôlez le câblage du circuit CAN du témoin d’avertissement de l'ABS.
|
| 1. |
Déconnectez le connecteur (M01) du groupe d'instruments et le connecteur
ABS HECU puis désactivez le contacteur d'allumage.
|
| 2. |
Contrôle de continuité entre la borne (M01) 23 du connecteur côté faisceau
du groupe d'instruments et la borne 26 côté faisceau ABS HECU.
Contrôle de continuité entre la borne (M01) 24 du connecteur côté faisceau
du groupe d'instruments et la borne 14 côté faisceau ABS HECU.
À la résistance est-elle dans les normes?
|
|
|
▶ Réparez le court-circuit entre les bornes 26, 14 du connecteur du faisceau
de câblage de l' HECU ABS et le module du témoin d'avertissement de l'ABS.
|
|
|
▶ Réparez le court-circuit entre les bornes 26 ,14 du connecteur du faisceau
de câblage de l' HECU ABS et le module du témoin d'avertissement de l'ABS.
|

|
Symptômes d'anomalie |
Cause possible |
||||||||
|
Si l'HECU détermine qu'il y a un problème, elle allume le témoin ABS tandis
qu'elle empêche en même temps d'utiliser l'ABS. À ce point là, l'HECU enregistre dans la mémoire un DTC. Bien que le code normal soit sorti, le témoin d'alerte de l'ABS reste allumé, la cause peut être probablement un circuit ouvert ou un court-circuit dans le circuit du témoin d'alerte de l'ABS. |
|
| 1. |
Branchez GDS sur le connecteur 16P de transmission des données situé
derrière le rembourrage de sécurité du côté conducteur.
|
| 2. |
Vérifiez la sortie du code défaut à l'aide de GDS.
Le DTC est-il sorti?
|
|
|
▶ Effectuez la procédure de dépistage des anomalies pour le DTC. (Voir repérage
des pannes du DTC) |
|
|
▶ Contrôlez la résistance du circuit CAN du témoin d’avertissement de l'ABS.
|
| 1. |
Déconnectez le connecteur (M01) du groupe d'instruments et désactivez
le contacteur d'allumage.
|
| 2. |
Mesurez la résistance entre la borne (M01) 23 et 24 du connecteur côté
faisceau du groupe d'instruments.
À la résistance est-elle dans les normes?
|
| 1. |
Déconnectez le connecteur (M01) du groupe d'instruments et le connecteur
ABS HECU puis désactivez le contacteur d'allumage.
|
| 2. |
Contrôle de continuité entre la borne (M01) 23 du connecteur côté faisceau
du groupe d'instruments et la borne 26 côté faisceau ABS HECU.
Contrôle de continuité entre la borne (M01) 24 du connecteur côté faisceau
du groupe d'instruments et la borne 14 côté faisceau ABS HECU.
Y-a-t-il une continuité?
|
|
|
▶ Réparez le court-circuit entre les bornes 26,14 du connecteur du faisceau
de câblage de l' HECU ABS et le module du témoin d'avertissement de l'ABS.
En l'absence de problème de câblage, contrôlez à nouveau après avoir remplacé
l'HECU ABS. |
|
|
▶ Réparez le court-circuit entre les bornes 26,14 du connecteur du faisceau
de câblage de l' HECU ABS et le module du témoin d'avertissement de l'ABS.
En l'absence de problème de câblage, contrôlez à nouveau après avoir remplacé
l'HECU ABS. |
Diagrammes schématiques
EBD (Répartiteur Électronique de Freinage) / Description et fonctionnementRevue Technique Kia Cee'd: À capteur d′éclairage automatique / Procédures de réparation
Contrôle
Dans l'état CONTACT 1 ON lorsque le module de l'interrupteur à fonction multiple
détecte l'interrupteur d'éclairage automatique activé, la sortie du relais du
feu arrière et la sortie du relais des feux de croisement sont contrôlées en
fonct ...
Manuel du proprietaire Kia Cee'd: Système ISG (Idle Stop and Go)
Votre véhicule peut être équipé du
système ISG, permettant de réduire la
consommation en carburant par l'arrêt
automatique du moteur, lorsque le
véhicule est à l'arrêt. (Par exemple : à un
feu rouge, à un panneau STOP et dans
les embouteil-lages)
Le moteur rédemarre automat ...